Fuente de alimentación

Description

Fuente
david yum
Mind Map by david yum, updated more than 1 year ago
david yum
Created by david yum over 9 years ago
5
0

Resource summary

Fuente de alimentación
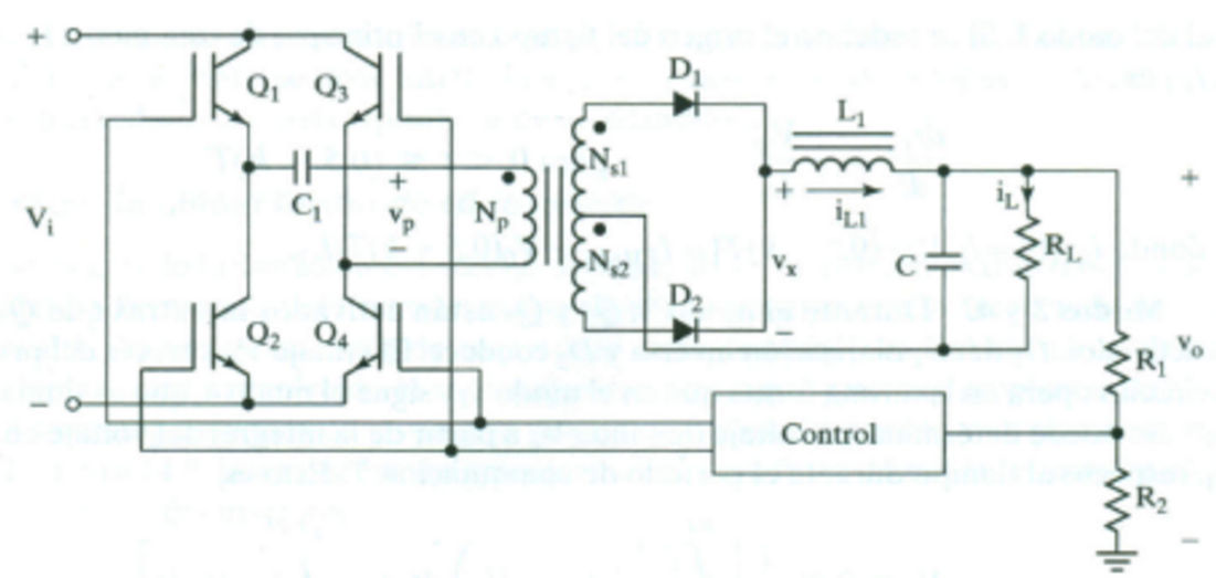
  1. Convertidor en medio puente
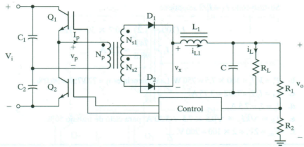
    1. Convertidor push-pull
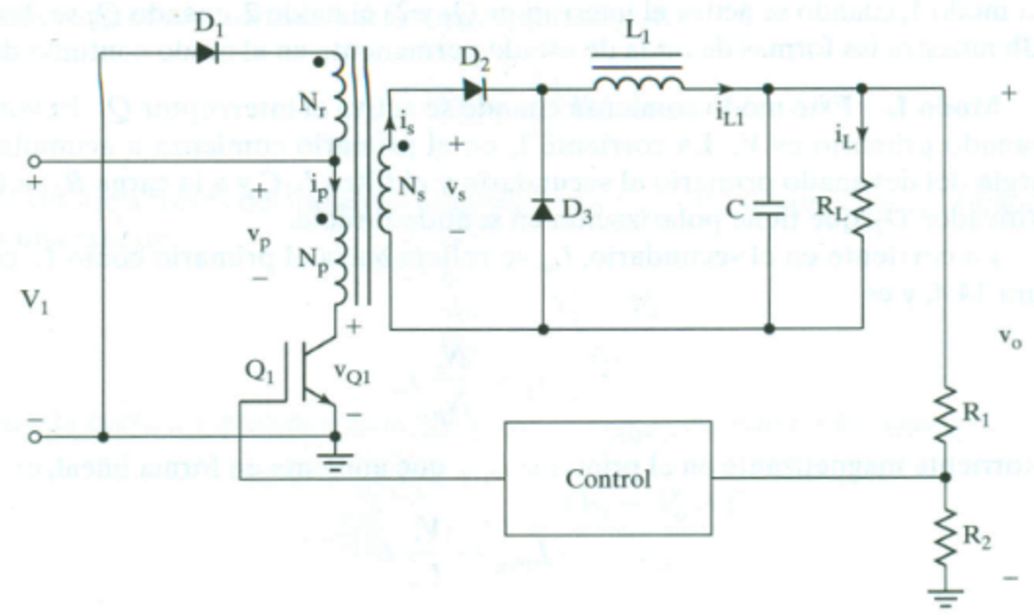
      1. Convertidor directo
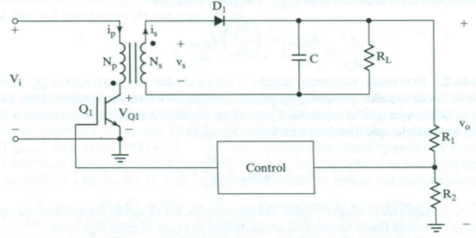
        1. Convertidor flyback
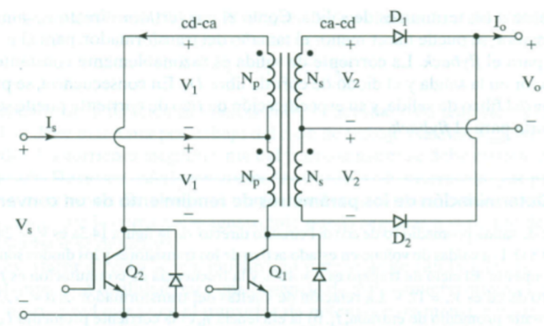
          1. Fuente de alimentación de CD usa conversores de 3 etapas ca-cd, cd- ca y ca- cd para entradas de ca
            1. Fuente de alimentación de CA
              1. Las fuentes de alimentación de ca son de uso común como fuentes para cargas críticas, y en aplicaciones donde no está disponible el suministro normal de ca.
                1. Fuentes de alimentación de ca en modo conmutado. Fuentes de alimentación de ca resonantes. Fuentes de alimentación de ca bidireccionales
              2. Fuente de alimentacion de CD resonantes
                1. Si la variación del voltaje no es grande de salida de cd, se pueden usar inversores de pulso resonante.
                  1. La frecuencia del inversor, que podría ser la misma que la frecuencia de resonancia, es muy alta, y el voltaje de salida del inversor es casi sinusoidal
                  2. Convertidor en puente completo
                    1. Circuitos de control
                      1. El voltaje de salida de un convertidor se puede controlar haciendo variar el ciclo de trabajo k.
                        1. Hay controladores de circuito PWM integrado disponibles en el comercio, que tienen todas las funciones para formar una fuente de alimentación PWM de conmutación
                      Show full summary Hide full summary

                      Similar

                      PRUEBA EXAMEN ELECTRONICA 2
                      Jonathan Meixueiro
                      FISICA ELECTRÓNICA
                      Diego Santos
                      Leyes de Kirchhoff (Voltaje y corriente)
                      dianamardp
                      ELECTRÓNICA!!
                      Miguel Mina
                      ELECTRÓNICA BÁSICA
                      sindo.fdez
                      Conocimientos Previos para Electronica
                      MANUEL ALONSO NE
                      Conocimientos Previos para Electronica
                      Asesores Físicomatemáticos de Veracruz
                      Conocimientos Previos para Electronica
                      Asesores Físicomatemáticos de Veracruz
                      Test para el Transistor
                      s1966nelsae
                      Examen Electricidad Básica LRGR
                      Jahn Christian Moreno
                      Curso Arduino 2: Corriente eléctrica e Intensidad
                      Florentino Cueto