Flow of Fluids Problems

Description

Flow of Fluids Summary
Dodong Aleta
Quiz by Dodong Aleta, updated more than 1 year ago
Dodong Aleta
Created by Dodong Aleta over 10 years ago
2320
0

Resource summary

Question 1

Question
Geankoplis Ex. 3.2-2 A sharp-edged orifice having a diameter of 0.0566 m is installed in a 0.1541-m pipe through which oil having a density of 878 kg/cu. m and a viscosity of 4.1 cp is flowing. The measured pressure difference across the orifice is 93.2 kN/sq. m. Calculate the volumetric flow rate in cu. m/s.
Answer
  • 0.02257 cu. m/s
  • 0.012198 cu. m/s
  • 0.03561 cu. m/s
  • 0.04362 cu. m/s

Question 2

Question
Geankoplis Ex. 3.3-2 It is desired to use 28.32 cu. m/min of air (metered at a pressure of 101.3 kPa and 294.1 K) in a process. This amount of air, which is at rest, enters the fan suction at a pressure 741.7 mmHg and a temperature of 366.3 K and is discharged at a pressure of 769.6 mmHg and a velocity of 45.7 m/s. A centrifugal fan having a fan efficiency of 60% is to be used. Calculate the break-kW power needed.
Answer
  • 4.65
  • 6.12
  • 7.24
  • 3.91

Question 3

Question
Geankoplis Ex. 3.3-3 For the next two numbers: A single-stage compressor is to compress 7.56E-3 kgmol/s of methane gas at 26.7°C and 137.9 kPa abs to 551.6 kPa abs. Calculate the power required if the mechanical efficiency is 80% and the compression is adiabatic.
Answer
  • 38.75 kW
  • 51.31 kW
  • 41.26 kW
  • 69.71 kW

Question 4

Question
It is a substance that does not permanently resist distortion and, hence, will change its shape.
Answer
  • Fluid
  • Plastic
  • Liquids
  • Gases

Question 5

Question
These are fluids that are inappreciably affected by changes in pressure, e.g. most liquids
Answer
  • Incompressible fluids
  • Compressible fluids
  • Newtonian fluids
  • Non-Newtonian fluids

Question 6

Question
It is a branch of momentum transfer, concerned with fluids at rest.
Answer
  • Fluid Statics
  • Fluid Dynamics
  • Fluid Mechanics
  • Flow of Fluids

Question 7

Question
It is a branch of momentum transfer concerned with fluids in motion.
Answer
  • Fluid Dynamics
  • Fluid Statics
  • Fluid Mechanics
  • Flow of Fluids

Question 8

Question
Gases are considered to be __.
Answer
  • compressible gases
  • incompressible gases
  • Newtonian gases
  • non-Newtonian gases

Question 9

Question
This is the type of flow that does not involve lateral mixing such that adjacent layers slide past one another like playing cards, and there are no cross currents perpendicular to the direction of flow, nor eddies or swirls of fluid.
Answer
  • Laminar
  • Turbulent
  • Eddie
  • Cross Current

Question 10

Question
In this type of flow, eddies form which leads to lateral mixing.
Answer
  • Turbulent
  • Laminar
  • Cross Flow
  • Eddie

Question 11

Question
It is the property of a fluid which gives rise to forces that resist the relative movement of adjacent layers in the fluid.
Answer
  • Viscosity
  • Density
  • Polarity
  • Average Kinetic Energy (Temperature)

Question 12

Question
These are fluids have a linear relation between the shear stress and the velocity gradient (rate of shear). This also means that its viscosity is constant and independent of rate of shear.
Answer
  • Newtonian Fluids
  • Non-Newtonian Fluids
  • Gases
  • Liquids

Question 13

Question
These are fluids do not have a linear relation between the shear stress and the velocity gradient (rate of shear). This also means that its viscosity does not remain constant and is a function of rate of shear.
Answer
  • Non-Newtonian Fluids
  • Newtonian Fluids
  • Gases
  • Liquids

Question 14

Question
Geankoplis Ex. 2.2-2 A large storage tank contains oil having a density of 917 kg/cu. m (0.917 g/cu. cm). The tank is 3.66 m (120 ft) tall and is vented (open) to the atmosphere of 1 atm abs at the top. The tank is filled with oil to a depth of 3.05 m (10 ft) and also contains 0.61 m (2.0 ft) of water in the bottom of the tank. Calculate the pressure in Pa and psia 3.05 m from the top of the tank and at the bottom.
Answer
  • 1.287E5 Pa and 1.347E5 Pa
  • 1.456E5 Pa and 1.598E5 Pa
  • 1.676E5 Pa and 1.773E5 Pa
  • 1.879E5 Pa and 1.902E5 Pa

Question 15

Question
Geankoplis Ex. 2.2-3 For the next two questions: Given the pressure of 1 standard atm as 101.325 kN/sq. m, convert this to head in meters water at 4°C.
Answer
  • 10.33 m of water
  • 10.98 m of water
  • 9.81 m of water
  • 12.3 m of water

Question 16

Question
Convert the pressure to head in m Hg at 0°C.
Answer
  • 0.760 m Hg
  • 0.460 m Hg
  • 0.136 m Hg
  • 0.550 m Hg

Question 17

Question
Geankoplis Ex. 2.2-4 A manometer, as shown in the figure, is being used to measure the head or pressure drop across a flow meter. The heavier fluid is mercury, with a density of 13.6 kg/cu. m, and the top fluid is water, with a density of 1.00 g/cu. cm. The reading on the manometer is R = 32.7 cm. Calculate the pressure difference in N/sq. m.
Answer
  • 4.040E4
  • 3.123E4
  • 6.641E4
  • 2.980E4

Question 18

Question
Geankoplis Ex. 2.5-1 Water at 303 K is flowing at the rate of 10 gal/min in a pipe having an inside diameter of 2.067 in. Calculate the Reynold's number.
Answer
  • 1.905E4
  • 2.034E4
  • 1.754E5
  • 5.781E5

Question 19

Question
Geankoplis Ex. 2.6-1 For the next three questions: A petroleum crude oil having a density of 892 kg/cu. m is flowing through the piping arrangement shown in the figure at a total rate of 1.388E-3 cu. m/s entering pipe 1. The flow divides equally in each of pipes 3. The steel pipes are schedule 40 pipes. Calculate the total mass flow rate in pipe 1 and pipes 3.
Answer
  • 1.238 kg/s 0.619 kg/s
  • 2.412 kg/s 1.719 kg/s
  • 0.987 kg/s 0.126 kg/s
  • 1.331 kg/s 0.714 kg/s

Question 20

Question
Calculate the average velocity in 1 and 3.
Answer
  • 0.641 m/s 0.528 m/s
  • 0.712 m/s 0.662 m/s
  • 0.549 m/s 0.445 m/s
  • 0.981 m/s 0.843 m/s

Question 21

Question
Geankoplis Ex. 2.7-1 Water enters a boiler at 18.33°C and 137.9 kPa through a pipe at an average velocity of 1.52 m/s. Exit steam at a height of 15.2 m above the liquid inlet leaves at 137.9 kPa, 148.9°C in the outlet line. At steady state how much heat must be added per kg mass of steam? The flow in the two pipes is turbulent.
Answer
  • 2.6942E6 J/kg
  • 3.4123 J/kg
  • 1.4659 J/kg
  • 1.2346 J/kg

Question 22

Question
Geankoplis Ex. 2.7-2 Water at 85°C is being stored in a large, insulated tank at atmospheric pressure as shown in the figure. It is being pumped at steady state from this tank at point 1 by a pump at the rate of 0.567 cu. m/min. The motor driving the pump supplies energy at the rate of 7.45 kW. The water passes through a heat exchanger, where it gives up 1408 kW of heat. The cooled water is then delivered to a second, large open tank at point 2, which is 20 m above the first tank. Neglect any kinetic-energy changes since the initial and final velocities in the tanks are essentially zero.
Answer
  • 48.41°C
  • 56.92°C
  • 39.45°C
  • 64.39°C

Question 23

Question
Geankoplis Ex. 2.7-3 A flow calorimeter is being used to measure the enthalpy of steam. The calorimeter, which is a horizontal insulated pipe, consists of an electric heater immersed in a fluid flowing at steady state. Liquid water at 0°C at a rate of 0.3964 kg/min enters the calorimeter at point 1. The liquid is vaporized completely by the heater, where 19.63 kW is added and steam leaves point 2 at 250°C and 150 kPa absolute. Calculate the exit enthalpy of the steam if the liquid enthalpy at 0°C is set arbitrarily at 0. The kinetic energy changes are small and can be neglected. (It will be assumed that pressure has a negligible effect on the enthalpy of the liquid.
Answer
  • 2971 kJ/kg
  • 6123 kJ/kg
  • 3215 kJ/kg
  • 5123 kJ/kg

Question 24

Question
Geankoplis Ex. 2.7-4 Water with a density of 998 kg/cu. m is flowing at a steady state mass flow rate through a uniform-diameter pipe. The entrance pressure of the fluid is 68.9 kN/sq. m abs in the pipe, which connects to a pump which actually supplies 155.4 J/kg of fluid flowing in the pipe. The exit pipe from the pump is the same diameter as the inlet pipe. The exit section of the pipe from the pump is the same diameter as the inlet pipe. The exit section of the pipe is 3.05 m higher than the entrance, and the exit pressure is 137.8 kN/sq. m abs. The Reynold's number in the pipe is above 4000 in the system. Calculate the frictional loss in the pipe system.
Answer
  • 56.5 J/kg
  • 12.6 J/kg
  • 76.9 J/kg
  • 46.3 J/kg

Question 25

Question
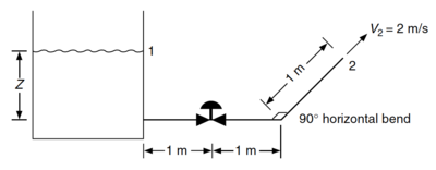
Perry's HB Section 6 Example 6 In the vessel shown in the figure, it is required to produce a discharge velocity of 2 m/s. The fluid is water at 20°C with ρ = 1,000 kg/m3 and μ = 0.001 Pa ⋅ s, and the butterfly valve is at θ = 10°. The pipe is 2-in Schedule 40, with an inner diameter of 0.0525 m. The pipe roughness is 0.046 mm. What is the liquid level in the vessel?
Answer
  • 0.73 m
  • 0.61 m
  • 0.89 m
  • 0.41 m

Question 26

Question
Geankoplis Ex. 2.7-5 For the next two questions: A pump draws 69.1 gal/min of a liquid solution having a density of 114.8 lbm/cu. ft from an open end storage feed tank of large cross-sectional area through a 3.068-in-ID suction line. The pump discharges its flow through a 2.067-in-ID line to an open overhead tank. The end of the discharge line is 50 ft above the level of the liquid in the feed tank. The friction losses in the piping system are 10.0 ft-lbf/lbm. The flow is turbulent. What pressure must the pump develop?
Answer
  • 48.0 psia
  • 54.2 psia
  • 12.3 psia
  • 98.6 psia

Question 27

Question
What is the horsepower of the pump if its efficiency is 65%?
Answer
  • 3.00
  • 5.23
  • 8.76
  • 10.51

Question 28

Question
Geankoplis Ex. 2.10-2 (Modified) A small capillary with an inside diameter of 2.22E-3 m and a length 0.317 m is being used to continuously measure the flow rate of a liquid having a density of 875 kg/cu. m and viscosity of 1.13E-3 Pa-s. The velocity across the capillary during flow is 0.275 m/s. What is the pressure drop in m water (density 996 kg/cu. m) if end-effect corrections are neglected?
Answer
  • 640 N/sq. m
  • 510 N/sq. m
  • 415 N/sq. m
  • 801 N/sq. m

Question 29

Question
Geankoplis Ex. 2.10-3 A liquid flowing through a horizontal straight commercial steel pipe at 4.57 m/s. The pipe used is commercial steel, 2" Sch 40. The viscosity of the liquid is 4.46 cp and the density 801 kg/cu. m. Calculate the mechanical-energy friction loss in J/kg for a 36.6 m section of pipe.
Answer
  • 174.8
  • 125.5
  • 215.1
  • 251.9

Question 30

Question
Geankoplis Ex. 2.10-4 Water at 4.4°C is to flow through a horizontal commercial steel pipe having a length of 305 m at the rate of 150 gal/min. A head of water of 6.1 m is available to overcome the friction loss. Calculate the pipe diameter.
Answer
  • 0.0912 m
  • 3.75 in
  • 4.12 in
  • 0.1012 m

Question 31

Question
Geankoplis Ex. 2.10-6 An elevated storage tank contains water at 82.2°C as shown in the figure. It is desired to have a discharge rate at point 2 of 0.223 cu. ft/s. What must be the height in ft of the surface of the water in the tank relative to the discharge point? The pipe used is commercial steel pipe, schedule 40, and the lengths of the straight portions of pipe are shown.
Answer
  • 33.77
  • 21.35
  • 63.41
  • 87.64

Question 32

Question
Geankoplis Ex. 2.10-7 Water at 20°C is being pumped from a tank to an elevated tank at the rate of 5.0E-3 cu. m/s. All of the piping in the figure is 4" Sch 40 pipe. The pump has an efficiency of 65%. Calculate the kW power needed for the pump.
Answer
  • 1.182 kW
  • 1.531 kW
  • 1.635 kW
  • 2.112 kW
Show full summary Hide full summary

Similar

Flow of Fluids Theory
Dodong Aleta
Chap.4: Fundamentals of Material Balances
Amirah Hill
Process Flowsheeting
Diana Kathlene Matibag Dimaano
Flash Calculations
Diana Kathlene Matibag Dimaano
Pressure
Meri perkins
Flow of Fluids Quiz 1_Villanueva
Emier Villanueva
Heat Transfer Quiz 2_ Villanueva
Emier Villanueva
Diffusion Quiz 3_Villanueva
Emier Villanueva
Entorno de Operación JIT
Carlos Pumarejo
Untitled
kibomabm