Unidad 2: ROM (Read Only Memory) :).

Description

Mapa mental libro: Tocci
Cesar Altamirano
Mind Map by Cesar Altamirano, updated more than 1 year ago
Cesar Altamirano
Created by Cesar Altamirano about 11 years ago
36
0

Resource summary

Unidad 2: ROM (Read Only Memory) :).
  1. ¿QUÉ ES UNA ROM?
    1. Es un tipo de memoria semiconductora diseñada para almacenar datos de forma permanente o que no cambien con frecuencia.
      1. Durante su operación NORMAL, no se puede "Escribir" solamente leer
    2. USO PRINCIPAL
      1. Almacenamiento de programas en las microcomputadoras.
        1. Almacenar datos e información que no va a cambiar en la función NORMAL del sistema.
        2. OPERACIÓN DE LECTURA
          1. Para poder leer una palabra de datos de la ROM, necesitamos hacer dos cosas:
            1. Aplicar las entradas de dirección apropiadas
              1. Activar las entradas de conttrol
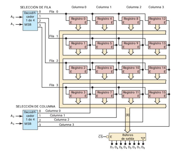
            2. ARQUITECTURA DE UNA ROM
              1. Consta de cuatro partes básicas:
                1. Decodificador de fila
                  1. Decodificador de columna
                    1. Búferes de salida
                      1. Arreglo de registros
                    2. SINCRONIZACIÓN DE UNA ROM
                      1. Durante la operación de Lectura se produce un tiempo de propagación entre la aplicación de las entradas en una ROM y la aparcición de las salidas de datos
                      2. TIPOS DE ROM
                        1. ROM programa por máscara
                          1. Su programación se realiza la mismo tiempo que se fabrica el circuito integrado.
                          2. ROM programable y borrable (EPROM)
                            1. Puede programarse por parte del usuario y de igual forma puede borrarse y reprogramarse cuantas veces se requiera.
                            2. ROM programable y borrable eléctricamente
                              1. Tiene la característica de borrarse con electricidad, así solucionando las desventajas de la EPROM
                              2. ROMs programables (PROMs)
                                1. No se programan desde su fabricación, sino que el usuario puede programarlas como requiera, pero una vez programadas no pueden borrarse.
                              3. MEMORIA FLASH
                                1. Fue un reto de lograr fabricar una memoria con las capacidades de la EEPROM pero con densidades y costos cercanos a la EPROM, al mismo tiempo que se mantuviera el acceso de lectura de alta velocidad.
                                Show full summary Hide full summary

                                Similar