CONVERTIDOR REDUCTOR ELEVADOR

Description

convertidor
david yum
Mind Map by david yum, updated more than 1 year ago
david yum
Created by david yum over 9 years ago
196
0

Resource summary

CONVERTIDOR REDUCTOR ELEVADOR
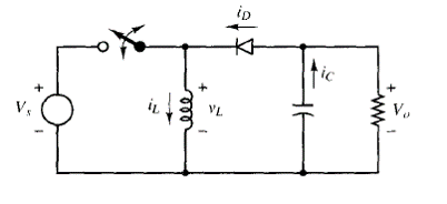
  1. La principal aplicación es en fuentes de energía CC reguladas, donde puede preferirse una salida de polaridad negativa respecto de la terminal común del voltaje de entrada
    1. Se utiliza cuando se quiere que voltaje de salida sea más alto o más bajo que el voltaje de entrada, mediante el control de la relación de trabajo D
    2. Un convertidor buck-boost se obtiene por medio de la conexión en cascada de los dos convertidores básicos: el convertidor reductor y el convertidor elevador.
      1. La relación de conversión de voltaje de salida a voltaje de entrada es el producto de las relaciones de conversión de los dos convertidores en cascada
        Show full summary Hide full summary

        Similar

        PRUEBA EXAMEN ELECTRONICA 2
        Jonathan Meixueiro
        FISICA ELECTRÓNICA
        Diego Santos
        Leyes de Kirchhoff (Voltaje y corriente)
        dianamardp
        ELECTRÓNICA!!
        Miguel Mina
        ELECTRÓNICA BÁSICA
        sindo.fdez
        Conocimientos Previos para Electronica
        MANUEL ALONSO NE
        Conocimientos Previos para Electronica
        Asesores Físicomatemáticos de Veracruz
        Conocimientos Previos para Electronica
        Asesores Físicomatemáticos de Veracruz
        Test para el Transistor
        s1966nelsae
        Examen Electricidad Básica LRGR
        Jahn Christian Moreno
        Curso Arduino 2: Corriente eléctrica e Intensidad
        Florentino Cueto