Question two Electrical

Description

4 Electrical questions Slide Set on Question two Electrical, created by emily5865 on 09/05/2016.
emily5865
Slide Set by emily5865, updated more than 1 year ago
emily5865
Created by emily5865 over 9 years ago
19
0

Resource summary

Slide 1

    Step one: Calculate first the total resistance of the circuit:  The equivalent resistance for R2 and R3 is: R2-3 = 1/R2 + 1/R3 = 7.2ohms R total = R1+ R23 = 10ohms + 7.2 ohms = 17.2 ohmsStep two: Calculate the Total Current V/R=I  I1 = 30V / 17.2 Ohms = 1.74 Amp. (Since R1 is in series connection, the total current is the same for that path).Step three- calculate voltage drop across each resistor  To Calculate the voltage drop for R1 you: VR1 = 1.74 Amp x 10 ohms = 17.4 volts Calculate the voltage drop across R2 and R3. Since the equivalent resistance for R2 and R3(R23) as calculated above is 7.2 ohmsStep 4- We can now calculate the voltage across each parallel resistor.Calculate the total voltage across R23 using IxR=V 1.74 x 7.2 = 12.528V, we can now calculate the individual current for R2 and R3I2 = VR2 / R2 = 12.5 volts / 18ohms = 0696 Amp. I3 = VR3 / R3 = 12.5 volts / 12ohms = 1.044 Amp.
    Calculating Voltage drop
    Caption: : You can check your answer by adding I2 and I3 together and it should be the same as I1

Slide 2

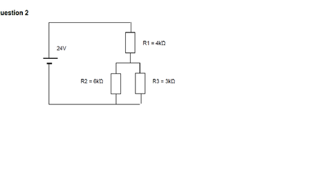
    a)    Calculate the current in each resistor Step 1- calculate the total resistance 1/R2 +1/R3= 1/R23 1/6 + 1/3 =1/R23 0.167 + 0.333= 1/0.500 R23 =2 ohms R1+ R23= 6 ohms= Total Resistance Step 2: find the current of the circuit I= V/R = 24/6 =0.004A (convert to mA to make a whole number, x 10 to the power 3) =4mA Step 3:   IR1 x R3         4mA x 3000 (converting from kiloOhms to Ohms)     R2 + R3         6000+3000      =1.33mA Step 4: IR1 x R2 =  4mA x 6000            R2+R3      6000 + 3000 =2.67mA

Slide 3

    a)    The power input to the circuit. Power = V X I Power= 24 x 4 Power= 96mW b)    The power consumed by each resistor Power = I squared x R Resistor 1= 4 (squared) x 4 =64mW Resistor 2= 1.33(squared) x 6 = 10.61 mW Resistor 3= 2.67(squared) x 3 =21.39 mW

Slide 5

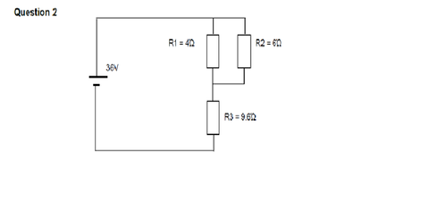
    a)    Calculate the current in resistor R2      Step one: calculate total resistance of R1 and R2 in order to turn the circuit into a series.       In order to find total resistance you do:      1/R1 + 1/R2 = 1/R12      ¼ + 1/6= 1/R12      0.25 +0.17 = 0.417 (0.42)      1/0.42 =2.38 =2.4Ohms       R12= 2.4      Step two: now you have the total resistance through R1 and R2 you have to find the total          resistance of the circuit, by adding R12 and R3 together      R12 + R3 =TR     2.4 + 9.6= 12 OhmsStep 3- to find the current in the circuit you need to divide the voltage by Resistance V /R =  I 36 / 12 = 3A Step 4- you then need to find the voltage going through R12.V= I X R12V= 3 x 2.4V= 7.2 V Step 5- to calculate the current of resistor 2 you have to use the information we have found above and put the figures into the equation I= V / R7.2 / 6 =1.2A So current in resistor 2 is 1.2A

Slide 6

    Step 4- you then need to find the voltage going through R12.V= I X R12V= 3 x 2.4V= 7.2 V Step 5- to calculate the current of resistor 2 you have to use the information we have found above and put the figures into the equation I= V / R7.2 / 6 =1.2A So current in resistor 2 is 1.2A

Slide 7

    a)    Calculate the power consumed in R1 Power = voltage(squared) x Current Step one: find out the current in R1 V /R1 = I 7.2 / 4 = 1.8A Current in R1 =!.8A Step two: now we know the current we can use our formula of power= Current (squared) x Resistance I(squared) x R1 = P is the same as: 1.8A(squared) x 4 = P P=12.96W
Show full summary Hide full summary

Similar

Electric Circuits Quiz
Jeffrey Piggott
Resistance, current and voltage
10ia3416
U10 Electric Circuits Quiz
Jeffrey Piggott
UNIT 3.1 - ELECTRIC CIRCUITS
Mr S Lee
COMBINATION OF RESISTORS
Fluttery
Circuits
Syanna Nunez
Current Electricity
Sarah Collinson
circuits
jromero4875
Circuits
jaguilar4083
the circuit
sherrera5704
3C - Crude Oil Pipeline Systems & Pipeline Configurations
nada.h.aly