DIBUJO DE CONJUNTO

Description

dibujo de ingenieria de conjuntos tecnico
yeraldin  patiño vega
Mind Map by yeraldin patiño vega, updated more than 1 year ago
yeraldin  patiño vega
Created by yeraldin patiño vega about 9 years ago
17
0

Resource summary

DIBUJO DE CONJUNTO
  1. YERALDINPATIÑO-212060-40-16-04
    1. DIBUJO DE DESPIECE
      1. es el que representa las piezas aisladas con todas las medidas y especificaciones necesarias para su completa ejecucion.
        1. se representa con el minimo numero de vistas, cortes, y detalles necesarios para la perfecta definicion de la pieza, en este se deben indicar todos los detalle y datos tecnicos como son: sus dimensiones, signos superficiales y tratamientos especificos, materiales, identificacion.
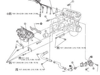
        2. DIBUJO DE CONJUNTO
          1. es la representacion grafica de un grupo de piezas que constituyen un mecanismo, una maquina o una instalacion, realizada de modo que todos estos elementos aparecen montados y unidos.
            1. se representa en la posicion de utilizacion comenzando el trazado del mismo por la pieza principal y continuando por los secundarios, aunque tambien se puede comenzar por las pieas inferiores y continuar con las exteriores en los dibujos de conjunto se debe referenciar las vistas necesarias para poder ver y refernciar todas las piezas.
            2. DIBUJO DE CONJUNTO EN EXPLOSION
              1. Ttiene como finalidad indicar en forma ordenada y precisa la secuencia de ubicacion de las piezas que conforman un conjunto, permitiendo con ello a cualquier operario realizar un desarme y posteriormente, realizada la operacion armar el conjunto siguiendos las informaciones del plano.
              2. PLM
                1. es gestion del ciclo de vida del producto, es una estrategia empresarial basada en una tecnologia la cual permite gestionar toda la informacion relacionada con el producto. Este proceso va desde la concepcion de la idea, pasando por su diseño y fabricacion hasta su servicio y reciclaje.
                Show full summary Hide full summary

                Similar

                Unidad III - Dibujo de Conjunto
                Mariana Cardozo
                MOMENTO 3. DIBUJO DE DESPIECE DIBUJO DE CONJUNTO, DIBUJO EN EXPLOSION Y PLM
                samuel arevalo brito
                UNIDAD 3: DIBUJO EN CAD PARAMÉTRICO
                Johanna Solano
                UNIDAD 3. Dibujo de conjunto
                Daniel Martinez
                MOMENTO 3 DIBUJO DE CONJUNTO
                DIANNY VARGAS
                UNIDAD III DIBUJO DE CONJUNTO Y LIBRO JENSEN
                lina maria granados solano
                Unidad 3 - Dibujo de conjunto
                lorena garzon
                Unidad 3. Dibujo del Conjunto
                CARMIÑA CHICO
                UNIDAD III DIBUJO DE CONJUNTO
                mechas.24
                Unidad 3: Dibujo de Conjunto
                Luis Alejandro Sierra Guarnizo
                DIBUJO DE INGENIERÍA MOMENTO 3
                Ronald Edwing Mejía Vargas