CODIFICADORES

Description

debrs
Diego Salazar
Mind Map by Diego Salazar, updated more than 1 year ago
Diego Salazar
Created by Diego Salazar over 10 years ago
283
0

Resource summary

CODIFICADORES
  1. Un codificador es considerado como un traductor del lenguaje de la gente al lenguaje de la maquina, es decir, traduce una entrada decimal a un numero BCD 8421.
    1. Una característica poco habitual del codificador es que no hay entrada 0. Una entrada cero significa una salida 1111 (en D, C, B y A) que es verdadera cuando todas las entradas del 1-9 están desconectadas. Cuando las entradas no están conectadas, se dice que están flotando.
      1. 2 3 4 5 6 7 8 9 D C B A H H H H H H H H H H H H H X X X X X X X X L L H H L X X X X X X X L H L H H H X X X X X X L H H H L L L X X X X X L H H H H L L H X X X X L H H H H H L H L X X X L H H H H H H L H H X X L H H H H H H H H L L X L H H H H H H H H H L H L H H H H H H H H H H H L
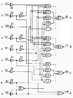
        1. diagrama lógico del codificador 74147, donde se presentan las 30 puertas lógicas que lo conforman.
        2. El diagrama lógico, en forma simplificada, de un codificador decimal a BCD
          1. El codificador tiene diez entradas a la izquierda y cuatro salidas a la derecha, además puede tener una entrada activa, que produce una única salida.
            1. se presenta el diagrama de bloques y la tabla de verdad de un codificador comercial denominado de prioridad de 10-4 líneas.
              1. S o n l o s d i s p o s i t i v o s M S I q u e r e a l i z a n l a o p e r a c i ó n i n v e r s a a l a r e a l i z a d a p o r l o s d e c o d i f i c a d o r e s . G e n e r a l m e n t e , p o s e e n 2 n e n t r a d a s y n s a l i d a s . C u a n d o s o l o u n a d e l a s e n t r a d a s e s t á a c t i v a p a r a c a d a c o m b i n a c i ó n d e s a l i d a , s e l e d e n o m i n a c o d i f i c a d o r c o m p l e t o .
                  Show full summary Hide full summary

                  Similar

                  Capas de la Ingeniería del Software
                  Diego Salazar
                  Los Flip Flops
                  Diego Salazar
                  Decodificador
                  Diego Salazar
                  flip-flop T
                  Diego Salazar
                  DEMULTIPLEXORES
                  Diego Salazar
                  FLIP FLOP RS
                  Daniel Corrales
                  FLIP- FLOP
                  Daniel Corrales
                  MULTIPLEXORES
                  Diego Salazar
                  FLIP-FLOP J-K
                  Daniel Corrales
                  MULTIPLEXORES Y DEMULTIPLEXORES 74HC, NXP
                  The GreedyVEVO .