ADC Y DAC

Description

Mapa mental de ADC y DAC de la materia de interfaz hombre maquina
Andres Rosales
Mind Map by Andres Rosales, updated more than 1 year ago
Andres Rosales
Created by Andres Rosales about 9 years ago
96
0

Resource summary

ADC Y DAC
  1. ADC (Convertidor Analógico Digital)
    1. Enlace entre la parte analogica y digital de un sistema
      1. El CAD toma una señal de entrada que luego la muestrea para producir una palabra en código digital de la parte de la señal que se esta examinando.
        1. Tipos
          1. Sistemas lazo Abierto
            1. Voltaje a Frecuencia
              1. Sistema simple
                1. Se usa cuando no se necesita una alta exactitud
                  1. La entrada analógica se aplica a un oscilador controlado por voltaje
                    1. Se produce una frecuencia de salida que es una función lineal de la entrada analógica
                    2. Circuito
                      1. Forma de onda
                        1. Diagrama
                        2. Voltaje a Amplitud de Pulsos
                          1. Se usa el voltaje de la entrada analógica para controlar el ancho de pulso de salida de un dispositivo monoestable
                            1. Diagrama
                            2. Conversión Simultanea
                              1. Todos los bits para representacion digital se determinan simultaneamente
                                1. Es el método mas rápido que existe
                                  1. Circuito
                                2. Sistemas Lazo Cerrado
                                  1. Una Rampa y Contador
                                    1. El voltaje de la entrada analógica se compara con una rampa lineal
                                      1. Forma de Onda
                                        1. Circuito
                                        2. Rampa Dual
                                          1. Forma de Onda
                                            1. Circuito
                                              1. Proporciona un funcionamiento muy superior a la rampa
                                                1. Las no linealidades del integrador se corrigen automaticamente
                                                  1. No se necesita un generador de reloj altamente estable
                                                  2. Aproximación Sucesiva
                                                    1. Se necesita un programador lógico, registrador y un convertidor digital analógico
                                                      1. Circuito
                                                2. DAC (Convertidor Digital Analógico)
                                                  1. Se emplea para excitar un dispositivo analógico desde un sistema digital.
                                                    1. Se cambia la señal de salida digital en un voltaje o corriente analógica adecuada
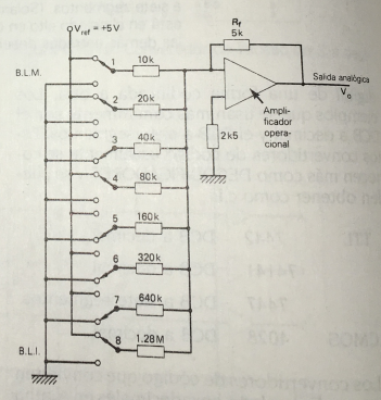
                                                      1. Método de construcción mas simple
                                                        1. Se usa una red ponderada de resistores y un amplificador operacional
                                                        2. Sistema mas común usado
                                                          1. Se basa en una red de escalera R-2R
                                                          2. Parametros
                                                            1. Resolucion
                                                              1. Habilidad para distinguir entre valores adyacentes de entrada
                                                          Show full summary Hide full summary

                                                          Similar

                                                          CONVERTIDORES ADC Y DAC
                                                          Rodrigo Barbosa
                                                          CAD/CDA
                                                          victor garcia
                                                          código binario.
                                                          Daniel Uribe
                                                          MAPA CONCEPTUAL ADC y DAC
                                                          new sedf
                                                          CONVERTIDORES ADC Y DAC
                                                          Mike Fake
                                                          Data representation, types and structures
                                                          bubblesthelabrad
                                                          GO INTERFACE'S
                                                          Alex Danyluik
                                                          System Design
                                                          bubblesthelabrad
                                                          GLOSARIO EN FICHAS SOBRE CONCEPTOS RELACIONADOS CON LAS EMPRESAS EXPONENCIALES
                                                          Lisandro Perez
                                                          Abstract Classes & Interfaces & Polymorphism
                                                          Nik Nguyen